Description
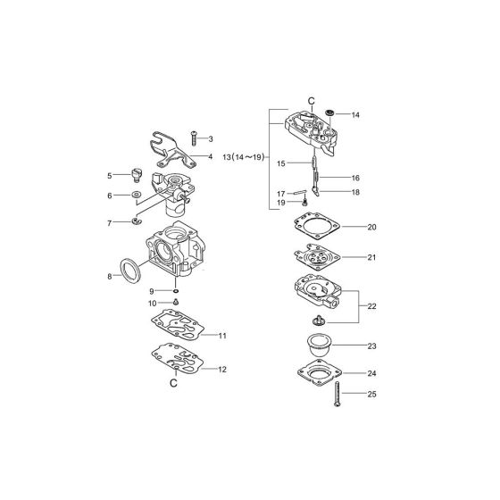
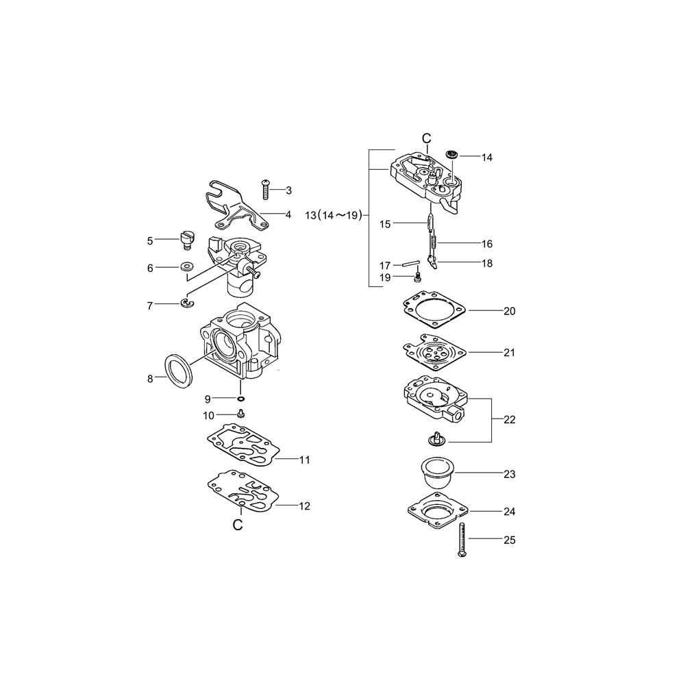
The carburettor for the ECHO MB-440 Duster-Mistblower is crucial for mixing air and fuel to power the engine efficiently. This component ensures optimal performance and longevity of the machine. Available in both genuine and non-genuine parts, it includes essential elements like jets, needles, and diaphragms to maintain the mistblower's functionality.
Reviews
Add a review
Write Your Own Review
Ask a Question
Customer Questions

