Description
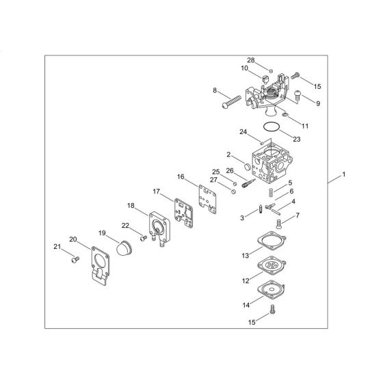
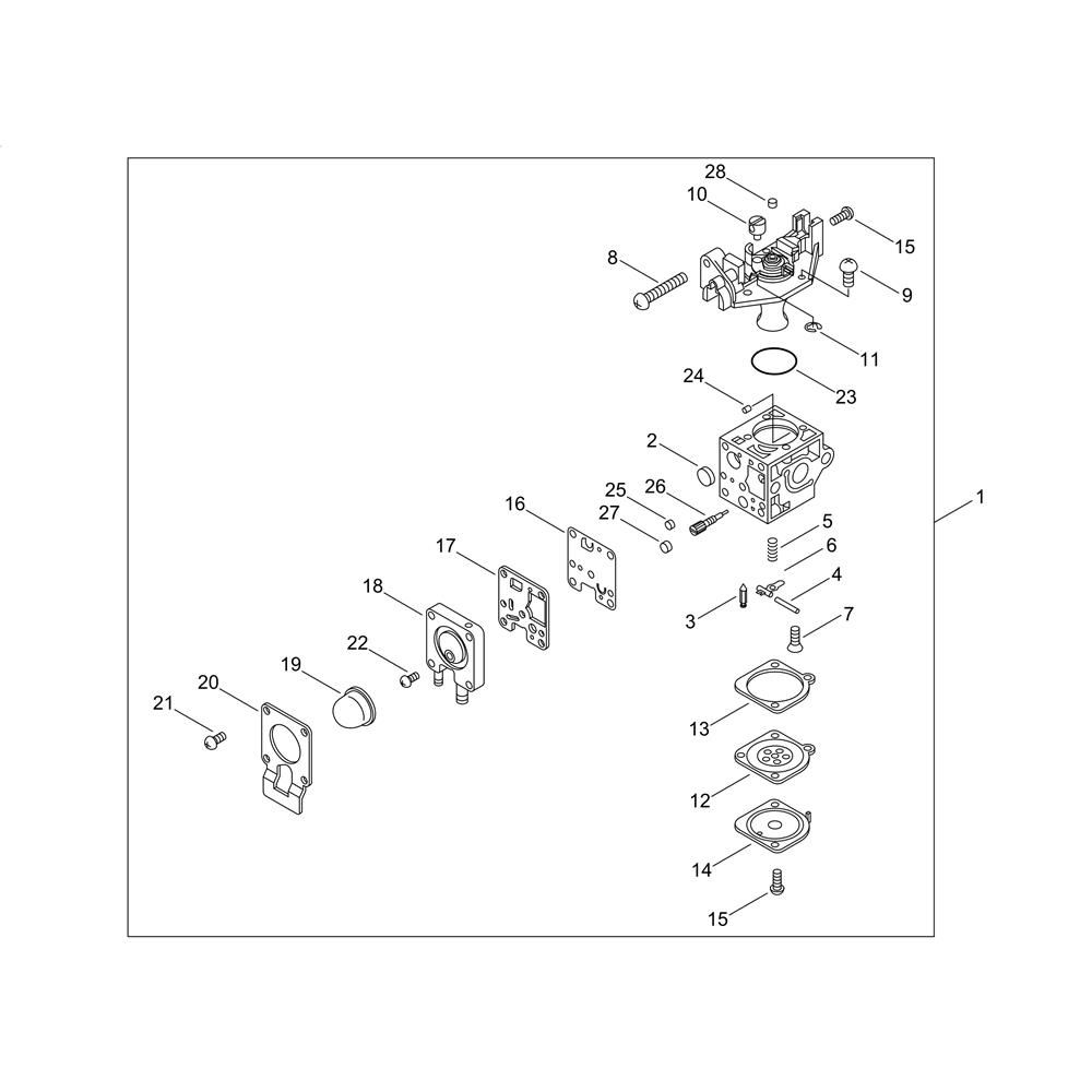
The carburettor for the ECHO SRM-222ES/L Brushcutter is essential for optimal engine performance, ensuring the correct mix of air and fuel. This component is crucial for maintaining efficiency and power in your brushcutter. Available in both genuine and non-genuine parts, it includes various components such as gaskets, diaphragms, and adjustment screws to suit different maintenance needs.
Reviews
Add a review
Write Your Own Review
Ask a Question
Customer Questions

