Description
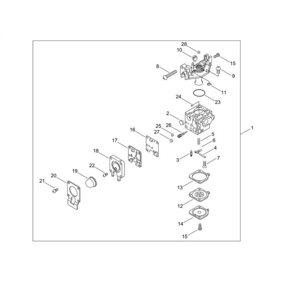
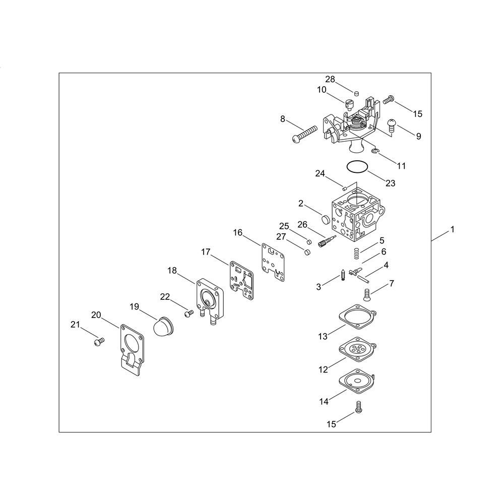
The carburettor for the ECHO SRM-236/U Brushcutter is crucial for optimal fuel and air mixture, ensuring efficient engine performance. This assembly includes various components such as gaskets, diaphragms, and springs, which are essential for maintaining the brushcutter's reliability. Available in both genuine and non-genuine parts, it supports routine maintenance and repairs.
Reviews
Add a review
Write Your Own Review
Ask a Question
Customer Questions

