Description
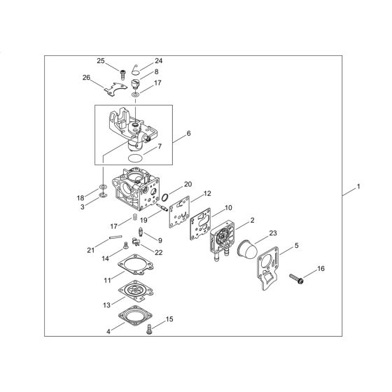
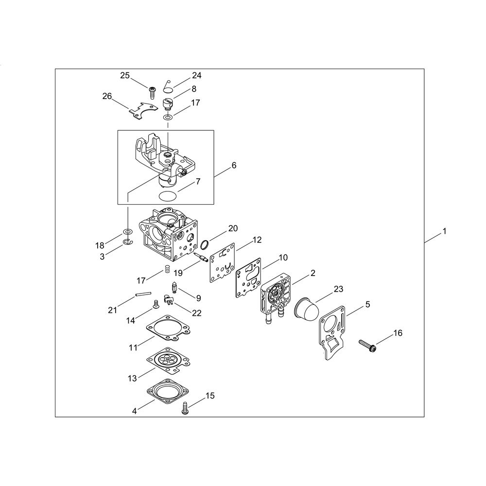
The carburettor for the ECHO SRM-2620ES/L Brushcutter is crucial for optimal fuel-air mixture, ensuring efficient engine performance. This component is available in both genuine and non-genuine parts, offering flexibility in maintenance and repair. Essential for maintaining the brushcutter's functionality, it supports smooth operation and longevity.
Reviews
Add a review
Write Your Own Review
Ask a Question
Customer Questions

