Description
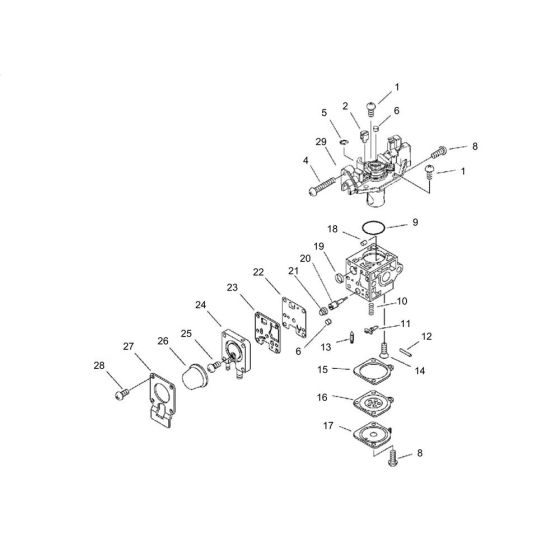
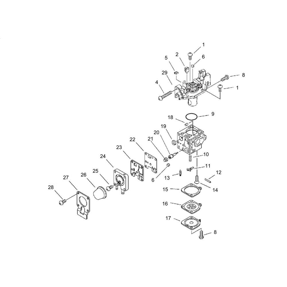
The carburettor for the ECHO SRM-265ES/U Brushcutter is crucial for optimal fuel and air mixture, ensuring efficient engine performance. This component is essential for maintaining the brushcutter's reliability and longevity. Available in both genuine and non-genuine parts, it includes various components such as gaskets, diaphragms, and adjustment screws to suit different maintenance needs.
Reviews
Add a review
Write Your Own Review
Ask a Question
Customer Questions

