Description
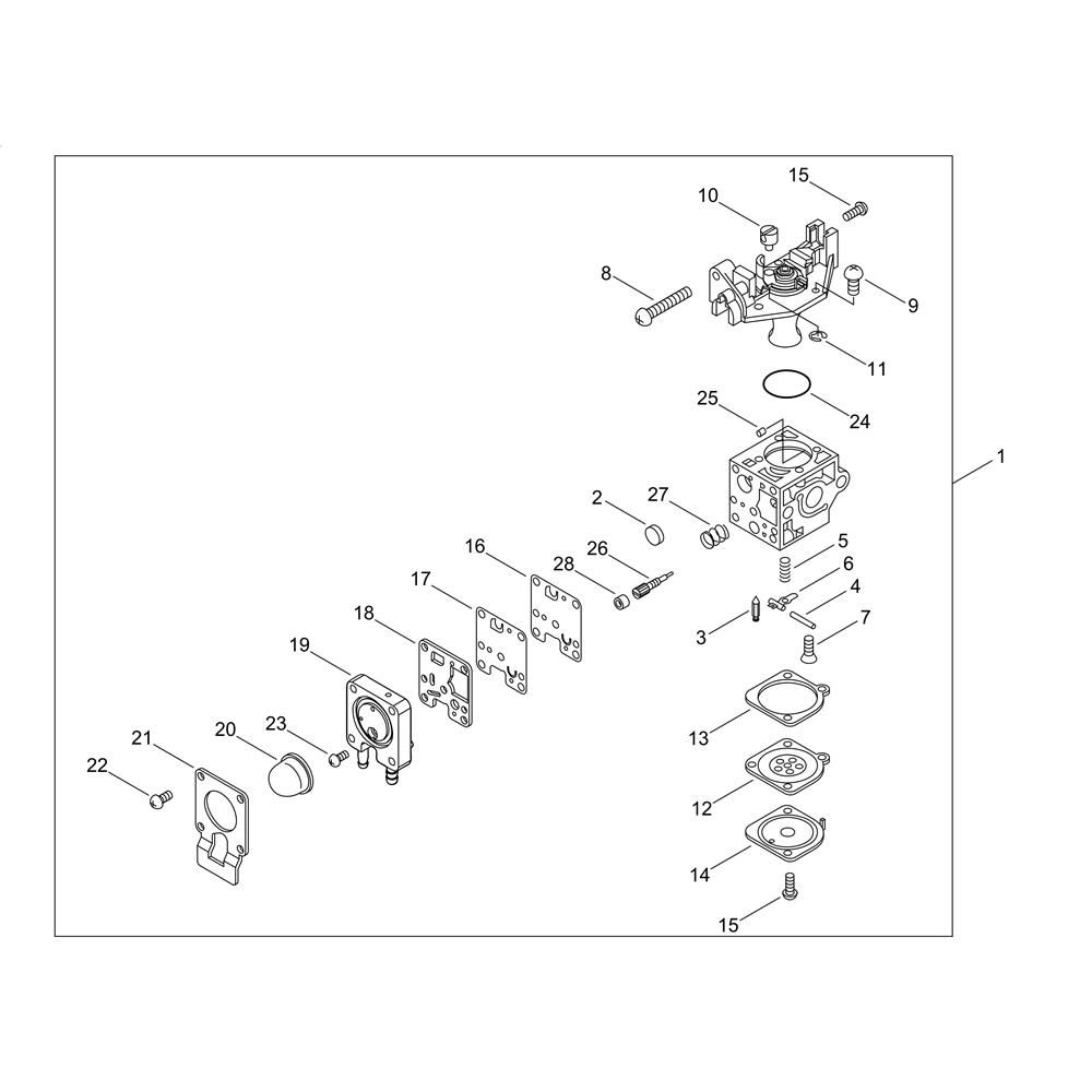
The carburettor for the ECHO SRM-3610T/U Brushcutter is essential for optimal fuel-air mixture, ensuring efficient engine performance. This component is vital for maintaining power and reliability during operation. Available in both genuine and non-genuine options, it includes parts like gaskets, diaphragms, and adjustment screws to suit various maintenance needs.
Reviews
Add a review
Write Your Own Review
Ask a Question
Customer Questions

