Description
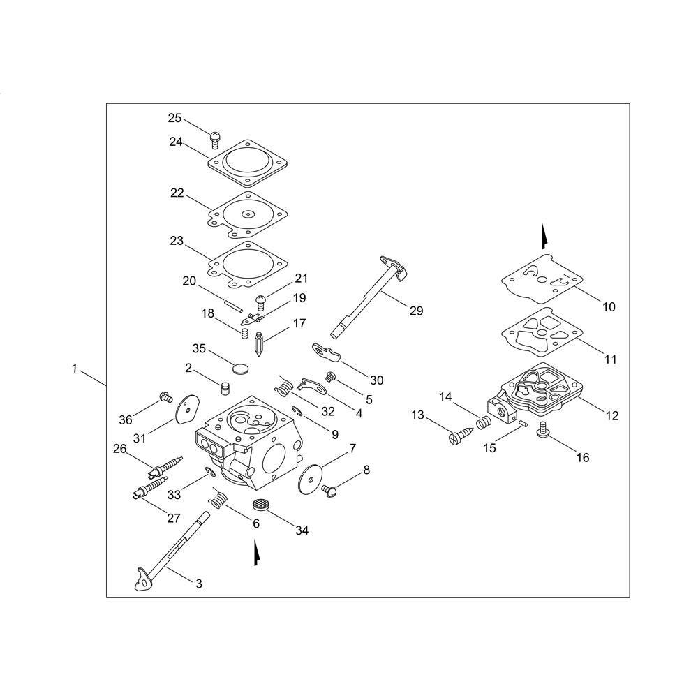
The carburettor for the Shindaiwa 360TS Chainsaw is crucial for regulating the air-fuel mixture, ensuring optimal engine performance. This assembly includes various components such as gaskets, diaphragms, and adjustment screws. Available in both genuine and non-genuine parts, it supports efficient chainsaw operation and maintenance.
Reviews
Add a review
Write Your Own Review
Ask a Question
Customer Questions

