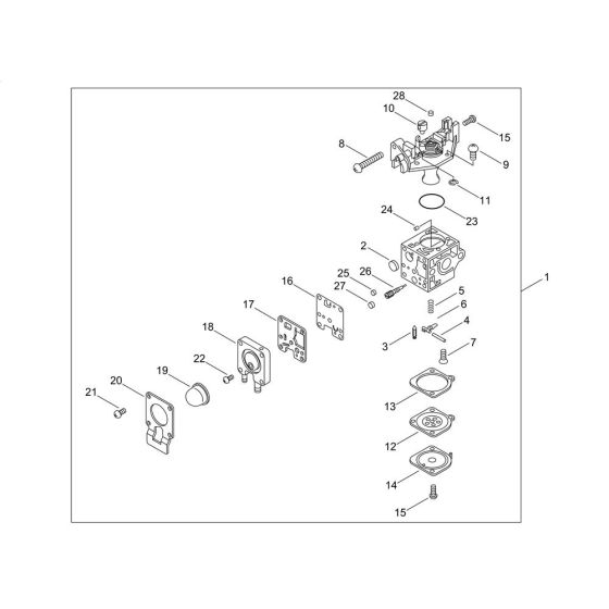
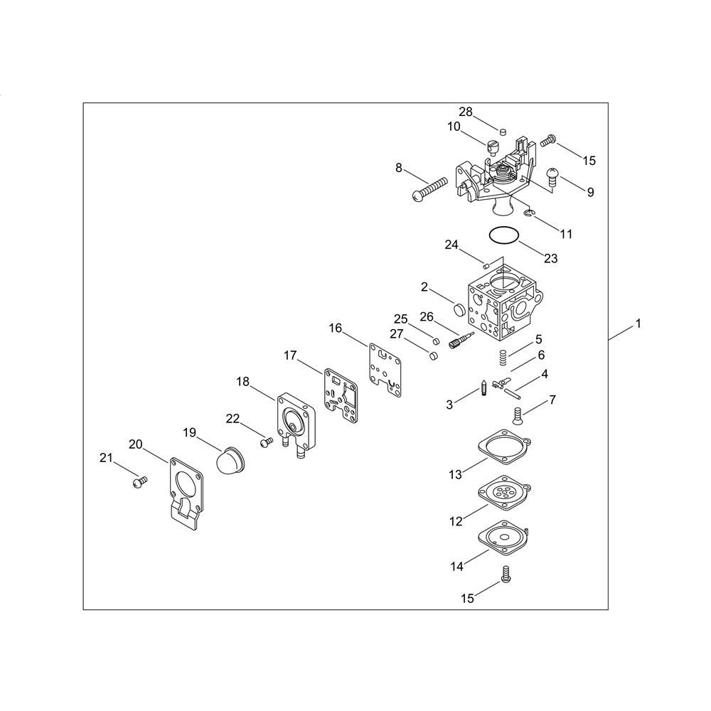
Description
The carburettor for the Shindaiwa AH236S-LW Extended Reach Hedgetrimmer ensures optimal fuel-air mixture for efficient engine performance. This essential component is crucial for maintaining the hedgetrimmer's reliability and longevity. Designed for precise fuel delivery, it helps in smooth operation and consistent power output. Available options may include different configurations to suit specific maintenance needs.
Reviews
Add a review
Write Your Own Review
Ask a Question
Customer Questions

