Description
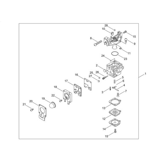
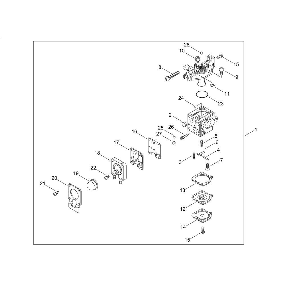
The carburettor for the Shindaiwa T226S Brushcutter is a crucial component for optimal engine performance. It ensures the correct mix of air and fuel, enhancing efficiency and reliability. This genuine Shindaiwa part is designed to fit perfectly, providing consistent power and reducing emissions. Regular maintenance of the carburettor can extend the lifespan of your brushcutter.
Reviews
Add a review
Write Your Own Review
Ask a Question
Customer Questions

