Description
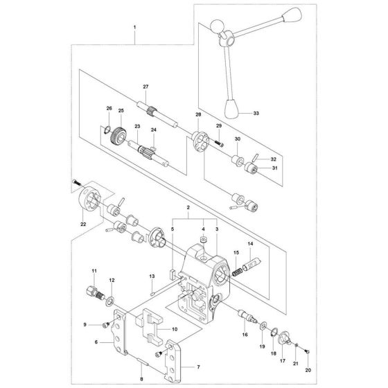
The Carriage Assembly for the Husqvarna DS 70 ATS Drill Stand is designed to ensure smooth and precise operation. This assembly includes components that facilitate the movement and stability of the drill stand, enhancing drilling accuracy and efficiency. Essential parts such as rollers, brackets, and fasteners are included to maintain optimal performance.
Reviews
Add a review
Write Your Own Review
Ask a Question
Customer Questions

