Description
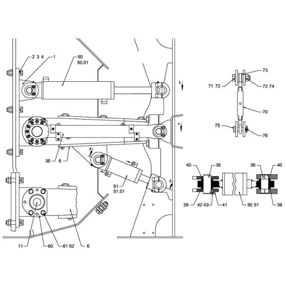
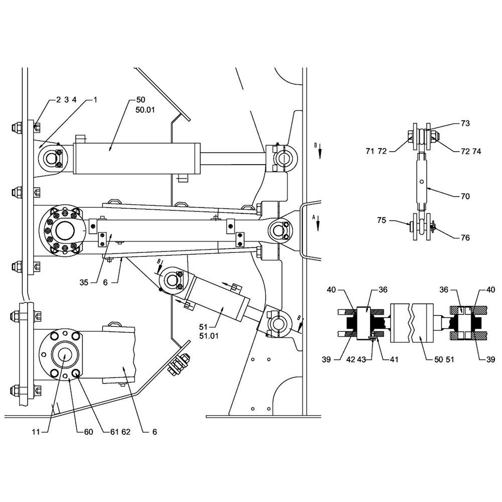
The Centre Pivot Assembly for Hamm HD70 - 75 (H152) Roller is crucial for maintaining the machine's manoeuvrability and stability. This assembly includes components such as bearings, pins, and bushings, ensuring smooth pivoting action. Designed for durability, these genuine Hamm parts help optimise the roller's performance and extend its operational life.
Reviews
Add a review
Write Your Own Review
Ask a Question
Customer Questions

