Description
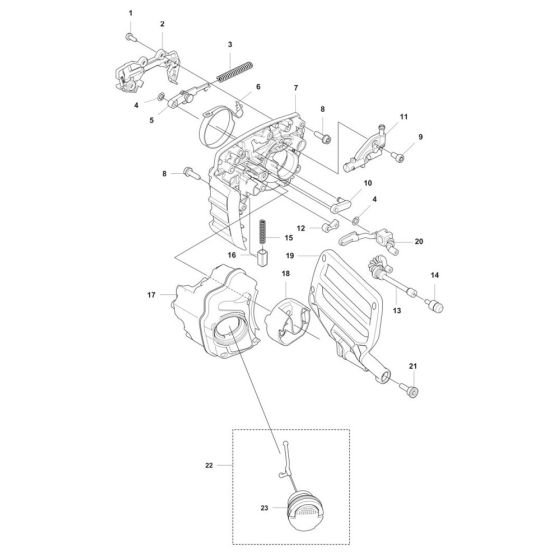
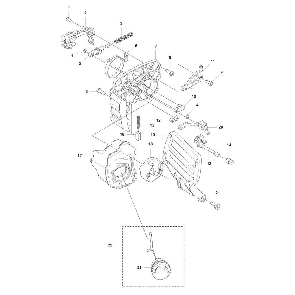
The Chain Brake Assembly for the Husqvarna 542i XP G Chainsaw is crucial for safety and performance. It helps stop the chain quickly during operation, reducing the risk of accidents. This assembly includes components like springs, levers, and covers, ensuring reliable function. Designed specifically for the Husqvarna 542i XP G model, it maintains the chainsaw's efficiency and safety standards.
Reviews
Add a review
Write Your Own Review
Ask a Question
Customer Questions

