Description
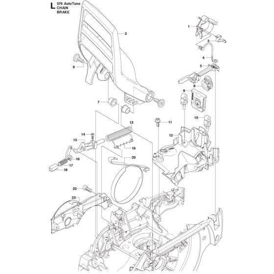
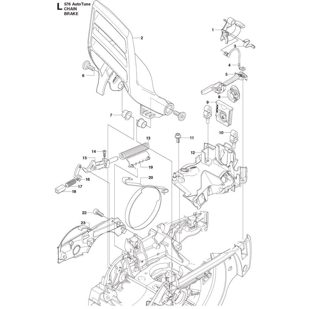
The Chain Brake Assembly for the Husqvarna 576XP AutoTune Chainsaw is designed to enhance safety and performance. This assembly includes components such as the brake band, spring, and lever, which work together to stop the chain swiftly in case of kickback or emergency. Essential for maintaining the chainsaw's safety features, it ensures reliable operation during demanding tasks.
Reviews
Add a review
Write Your Own Review
Ask a Question
Customer Questions

