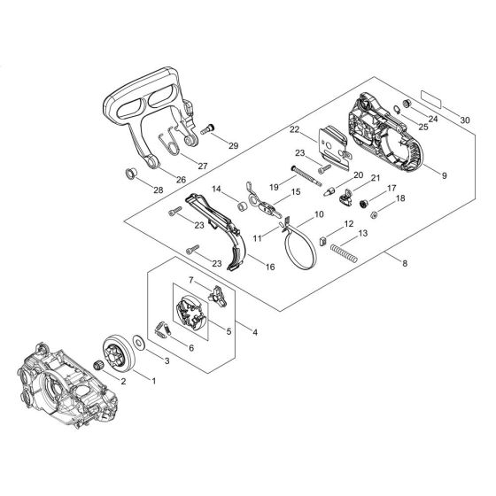
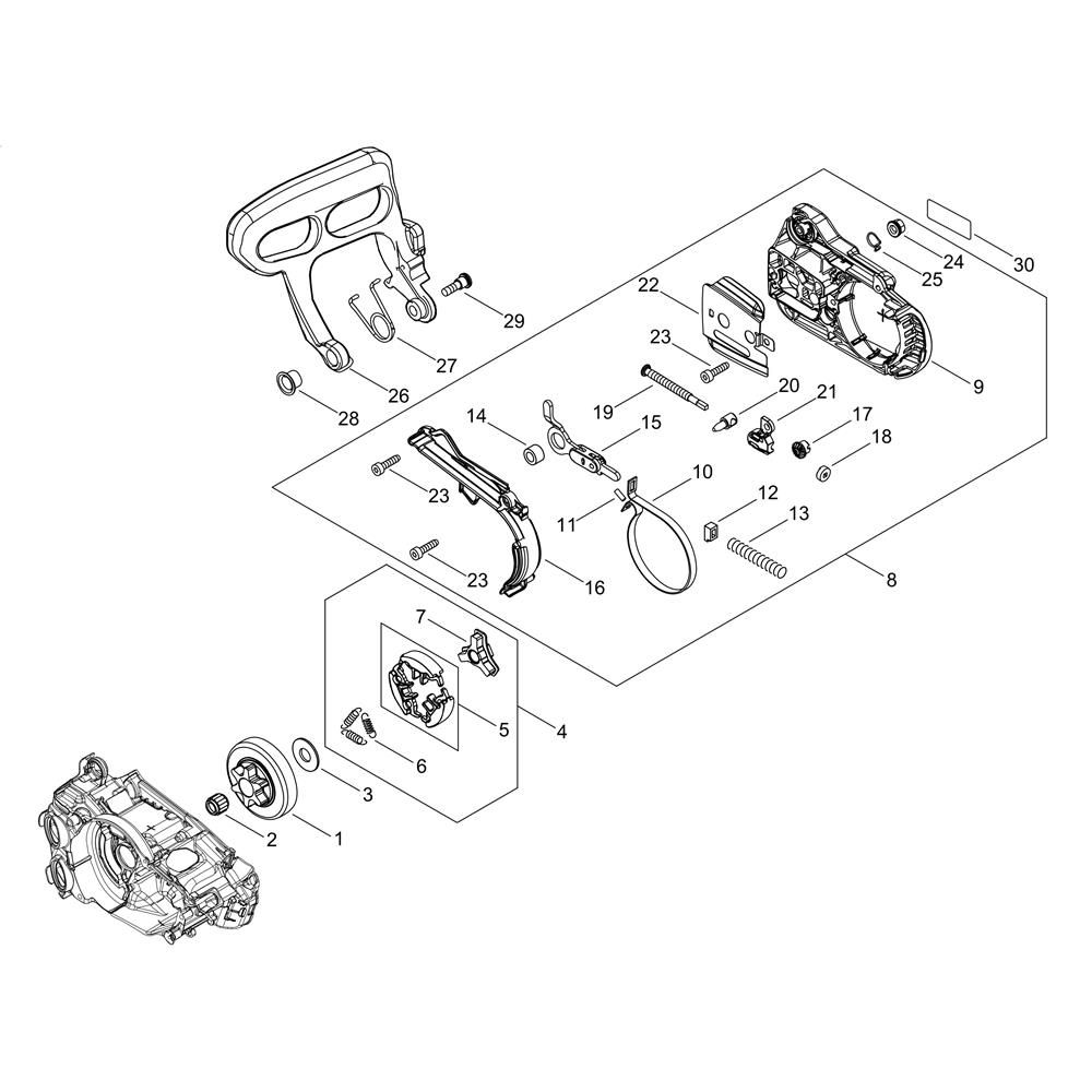
Description
The Chain Brake for the Shindaiwa 251WS Chainsaw is designed to enhance safety by stopping the chain in the event of kickback. This essential component helps protect users during operation and ensures compliance with safety standards. Genuine Shindaiwa parts ensure compatibility and reliability, maintaining the chainsaw's performance and longevity.
Reviews
Add a review
Write Your Own Review
Ask a Question
Customer Questions

