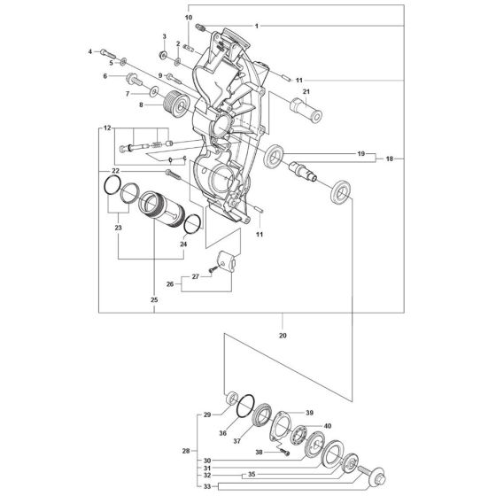
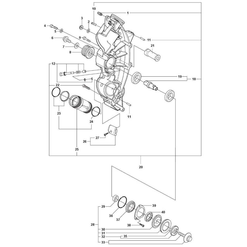
Description
The Chassis 17" Assembly for the Husqvarna K7000 Ring Disc Cutter is designed to ensure optimal performance and durability. This assembly includes key components that support the structural integrity and functionality of the cutter. Essential for maintaining the cutter's precision and efficiency, it is available with various parts to suit different repair needs.
Reviews
Add a review
Write Your Own Review
Ask a Question
Customer Questions

