Description
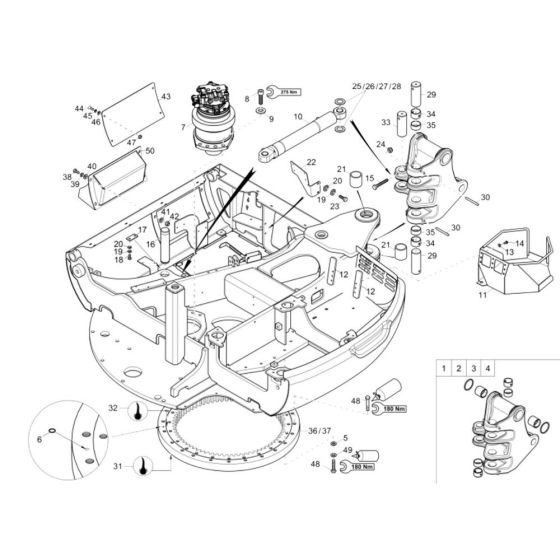
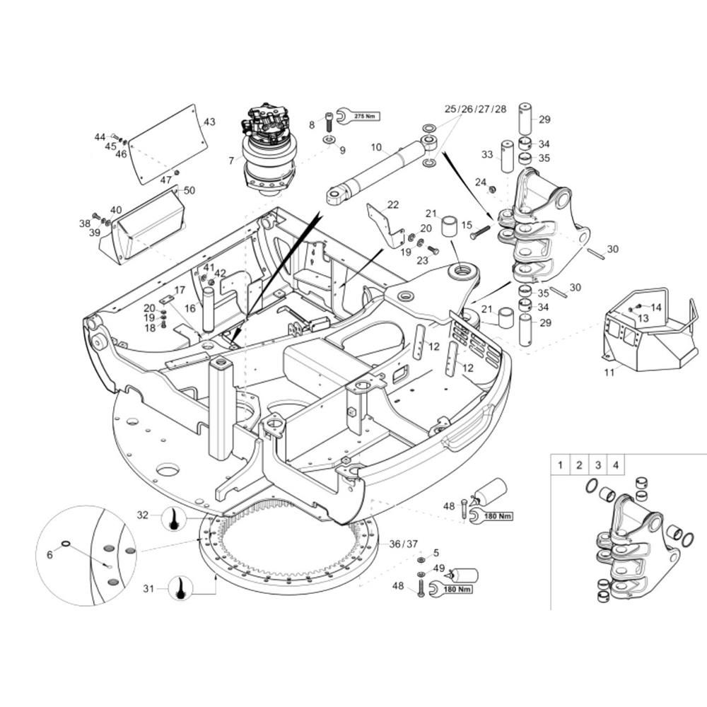
The Chassis Assembly for the Wacker 50Z3 Mini Excavator includes essential components to ensure structural integrity and operational efficiency. Designed for durability, it supports the machine's frame and movement. Typical components may include brackets, mounts, and fasteners, all crucial for maintaining the excavator's stability and performance.
Reviews
Add a review
Write Your Own Review
Ask a Question
Customer Questions

