Description
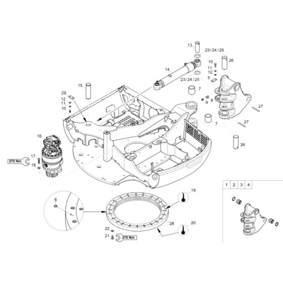
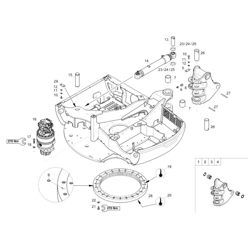
The Chassis Assembly for the Wacker 75Z3 Mini Excavator is essential for maintaining the structural integrity and operational efficiency of the machine. This assembly includes key components such as frames, mounts, and brackets, ensuring stability and durability during excavation tasks. Designed specifically for the Wacker Neuson model, it supports the machine's robust performance in various construction environments.
Reviews
Add a review
Write Your Own Review
Ask a Question
Customer Questions

