Description
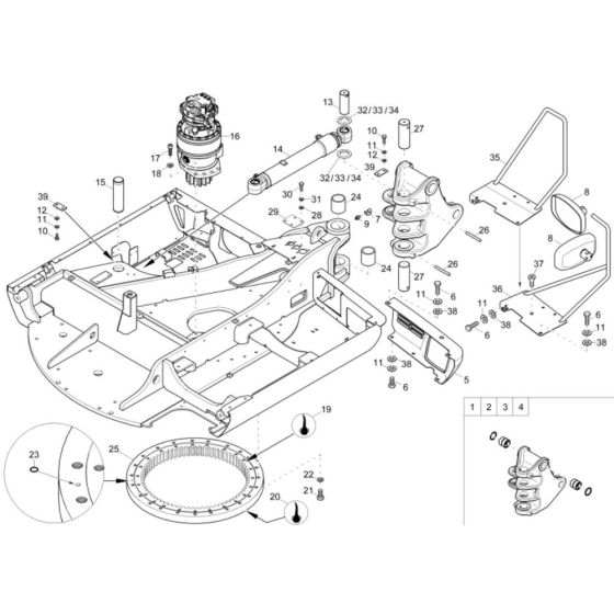
The Chassis Assembly for the Wacker 9503 Excavator is designed to support the machine's structure and ensure stability during operation. This assembly includes components such as frames, brackets, and mounts, which are crucial for maintaining the excavator's integrity and performance. Genuine Wacker Neuson parts ensure compatibility and durability, providing reliable support for heavy-duty tasks.
Reviews
Add a review
Write Your Own Review
Ask a Question
Customer Questions

