Description
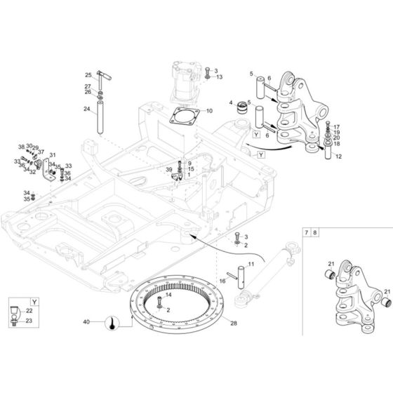
The Chassis Assembly for the Wacker ET16 Mini Excavator includes essential components designed to support the machine's structure and stability. This assembly ensures optimal performance and durability during excavation tasks. Components may include frames, brackets, and mounting hardware, all crafted to meet the specific requirements of the Wacker Neuson ET16 model.
Reviews
Add a review
Write Your Own Review
Ask a Question
Customer Questions

