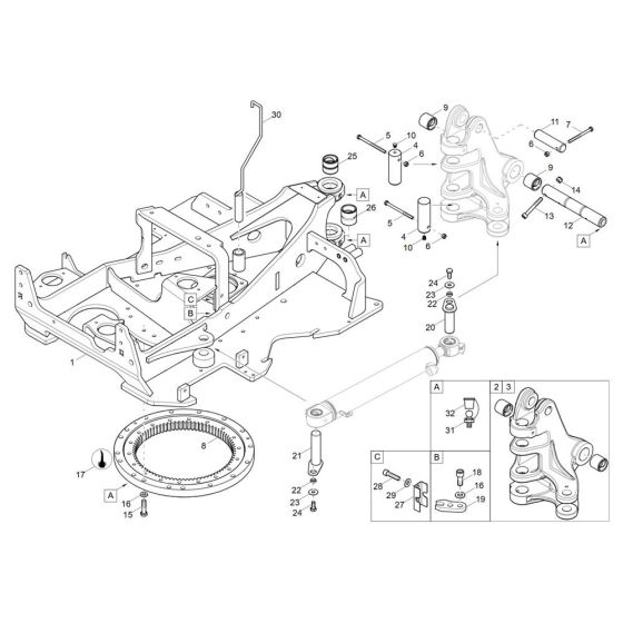
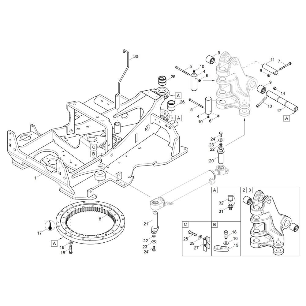
Description
The Chassis Assembly for the Wacker EZ17-2 Mini Excavator is designed to support the machine's structure and ensure stability during operation. This assembly includes key components such as frames, brackets, and mounts, which are essential for maintaining the excavator's integrity and performance. Genuine Wacker Neuson parts ensure compatibility and reliability.
Reviews
Add a review
Write Your Own Review
Ask a Question
Customer Questions

