Description
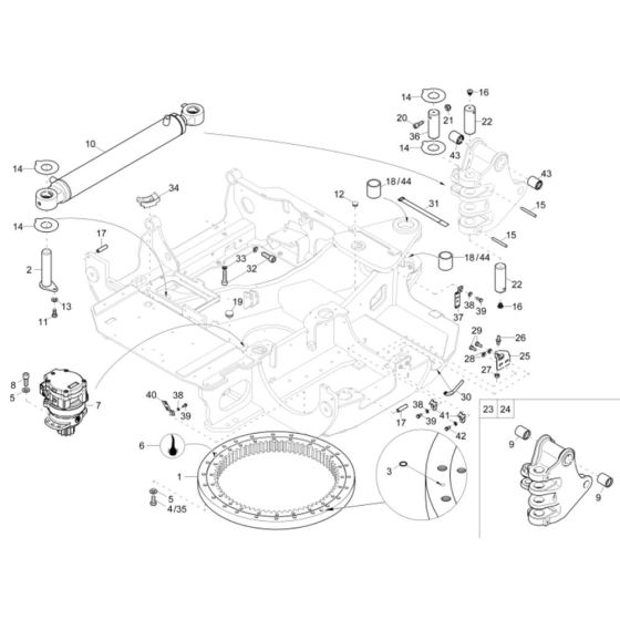
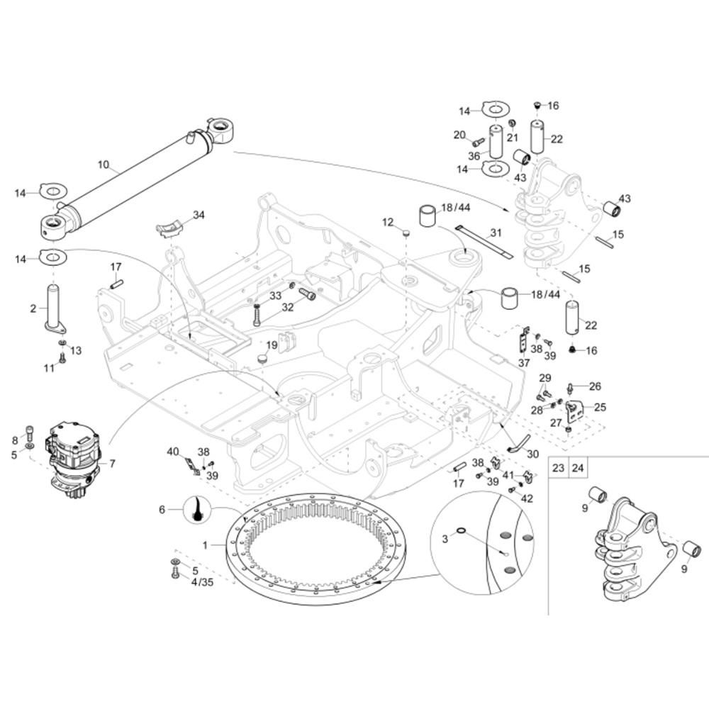
The Chassis Assembly for the Wacker EZ36 Mini Excavator includes key components essential for structural integrity and operational efficiency. Designed to support the machine's framework, it ensures stability and durability during excavation tasks. Typical parts include beams, brackets, and mounts, all contributing to the reliable performance of the excavator.
Reviews
Add a review
Write Your Own Review
Ask a Question
Customer Questions

