Description
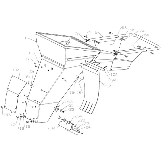
The Chute Assembly (536940) is designed for the Masport 6.5XL Shredder, ensuring efficient operation and longevity. This assembly plays a crucial role in directing debris into the shredder, enhancing performance and safety. Available in both genuine and non-genuine parts, it includes components like the chute body, fasteners, and deflectors, tailored to fit the Masport 6.5XL model.
Reviews
Add a review
Write Your Own Review
Ask a Question
Customer Questions

