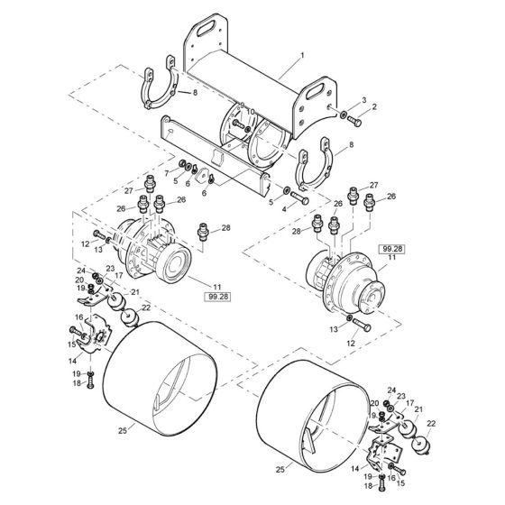
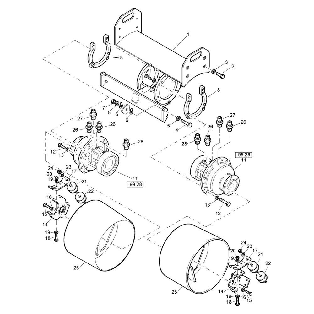
Description
The Clearside Roller Drum Assembly is designed for the Bomag BW80 ADS Roller, ensuring optimal performance and durability. This assembly includes key components that contribute to the effective operation of the tandem vibratory roller. Essential parts such as bearings, seals, and drum shells are included, providing reliable performance in various construction applications.
Reviews
Add a review
Write Your Own Review
Ask a Question
Customer Questions

