Description
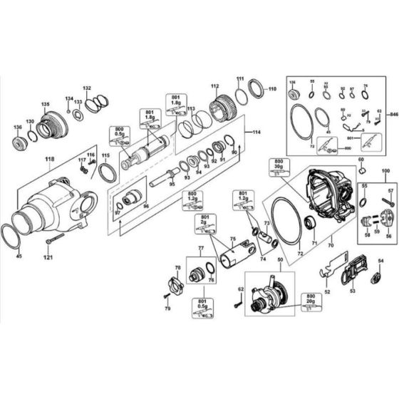
The Clutch Assembly for the DeWalt D25323K Type 1 Rotary Hammer is essential for maintaining optimal performance and safety. This assembly helps manage torque transfer, protecting the motor and user during operation. Available in both genuine and non-genuine parts, it includes components such as springs, levers, and gears, ensuring compatibility and reliability for your rotary hammer.
Reviews
Add a review
Write Your Own Review
Ask a Question
Customer Questions

