Description
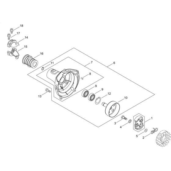
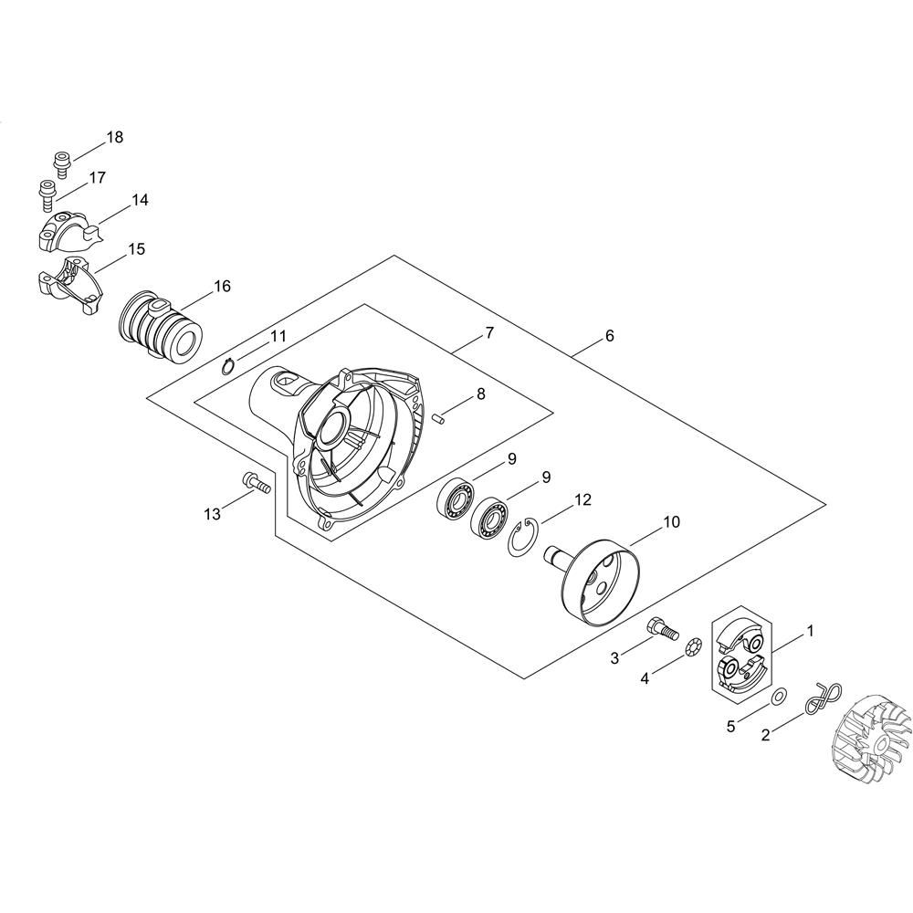
The clutch for the ECHO SRM-300TES/U Brushcutter is essential for transferring engine power to the cutting head, ensuring efficient operation. This component is crucial for maintaining the performance and longevity of your brushcutter. Available in genuine and non-genuine parts, it suits various maintenance needs and preferences.
Reviews
Add a review
Write Your Own Review
Ask a Question
Customer Questions

