Description
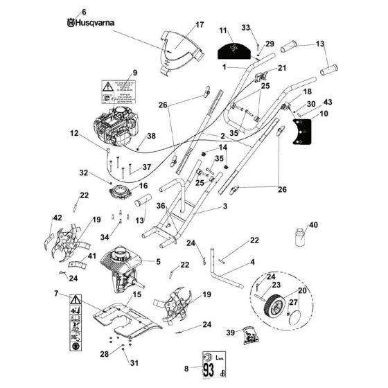
The Complete Assembly for the Husqvarna T300 RH Cultivator/Tiller includes essential components to ensure optimal performance and longevity. Designed for efficient soil cultivation, this assembly features parts such as blades, gears, and protective covers. Ideal for maintaining your garden equipment, it supports reliable operation and ease of use.
Reviews
Add a review
Write Your Own Review
Ask a Question
Customer Questions

