Description
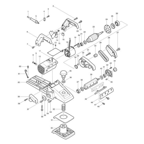
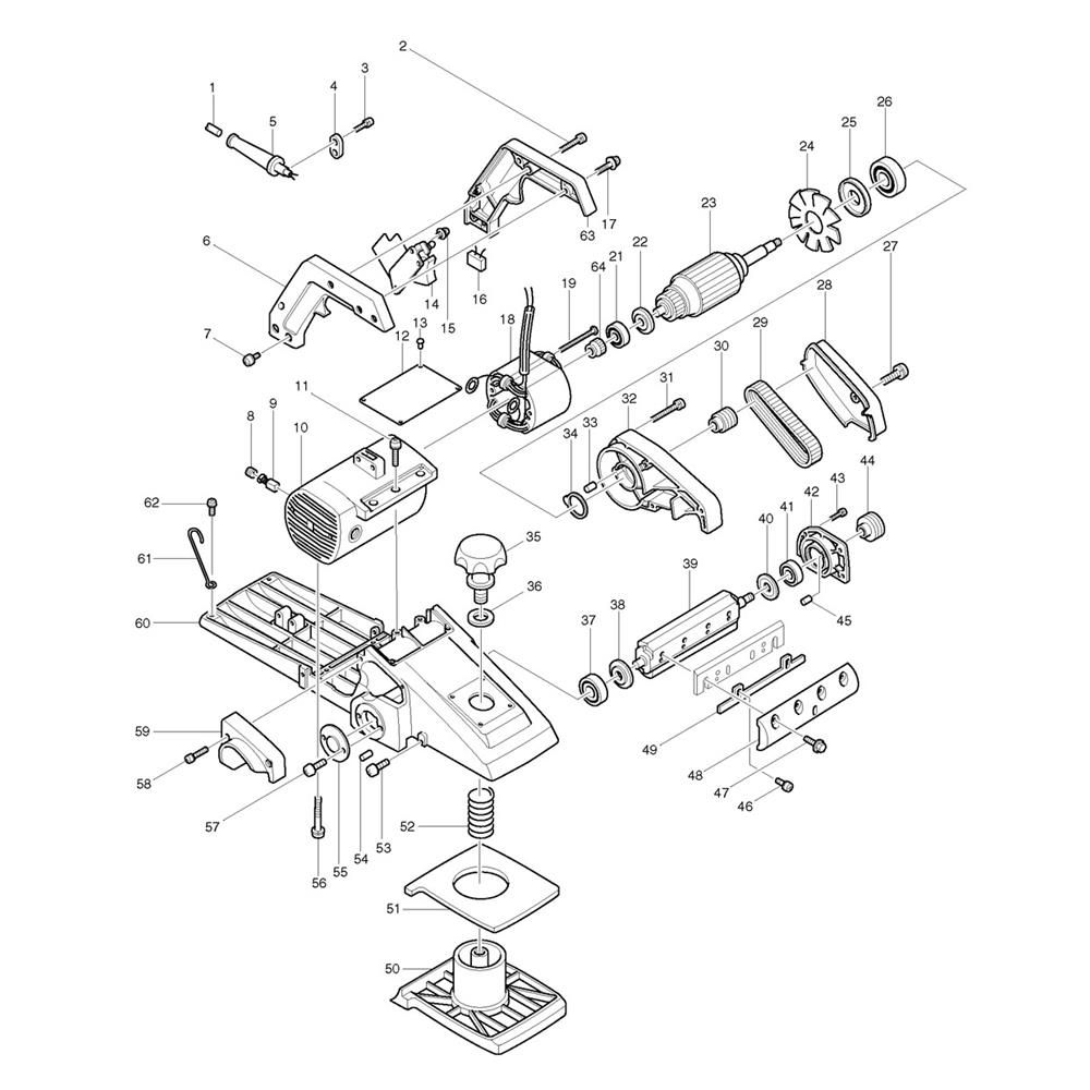
The Complete Assembly for the Makita 1805B Planer includes genuine parts essential for maintaining optimal performance. This assembly ensures efficient operation by providing components such as blades, belts, and guards. Designed for durability and precision, it supports the planer in delivering smooth, accurate results. Available components cater to various maintenance needs.
Reviews
Add a review
Write Your Own Review
Ask a Question
Customer Questions

