Description
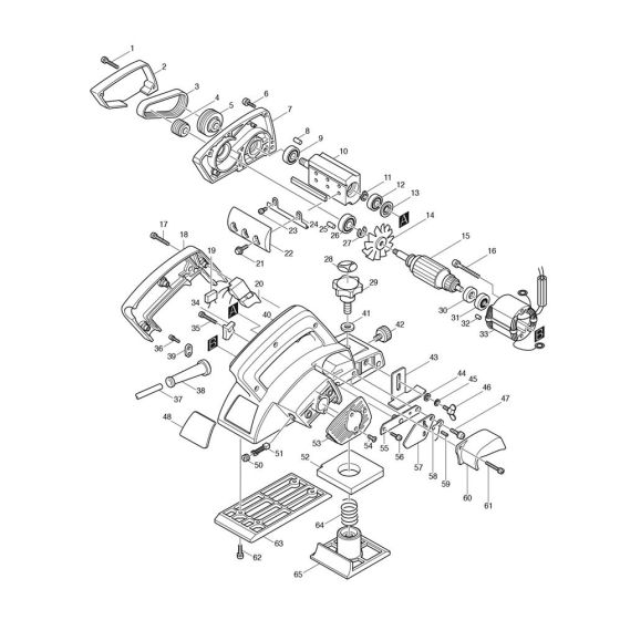
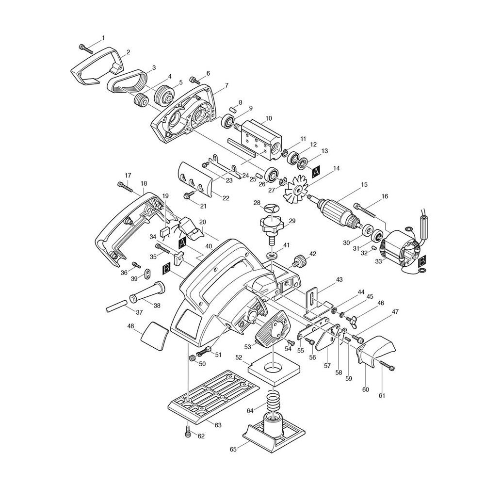
The Complete Assembly for the Makita 1923B Planer includes essential components to ensure optimal performance and longevity. This assembly is designed to maintain the planer's efficiency by replacing worn or damaged parts. Typical components may include blades, belts, and bearings, all crucial for smooth operation and precise planing tasks.
Reviews
Add a review
Write Your Own Review
Ask a Question
Customer Questions

