Description
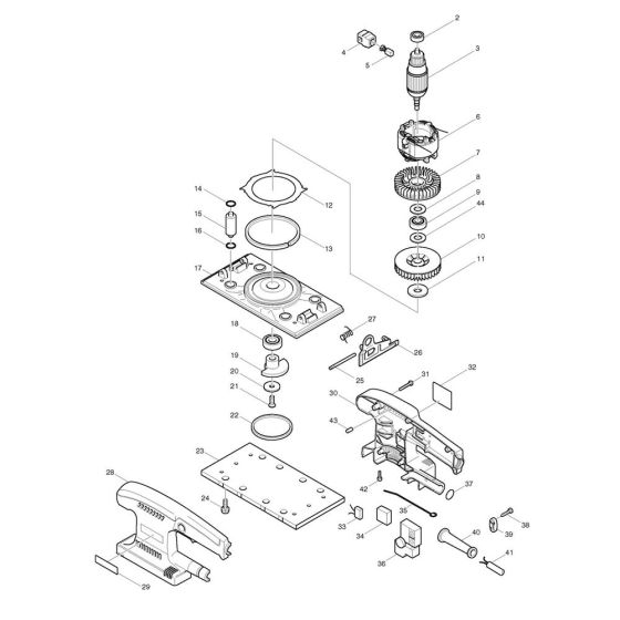
The Complete Assembly for the Makita BO3700 Sander includes essential components to ensure optimal performance and longevity. This assembly is designed to facilitate maintenance and repair, featuring genuine Makita parts that help maintain the sander's efficiency. Typical components may include pads, clamps, and levers, all crucial for smooth operation.
Reviews
Add a review
Write Your Own Review
Ask a Question
Customer Questions

