Description
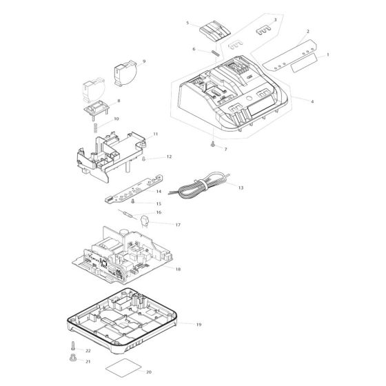
The Complete Assembly for the Makita DC18RE Battery Charger includes all necessary components to ensure efficient charging of Makita batteries. This assembly is designed to maintain optimal performance and extend the life of the charger. Typical components include connectors, circuit boards, and housing parts, ensuring reliable operation.
Reviews
Add a review
Write Your Own Review
Ask a Question
Customer Questions

