Description
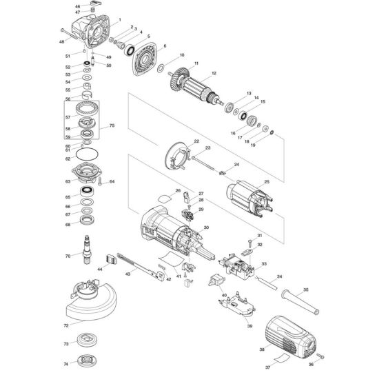
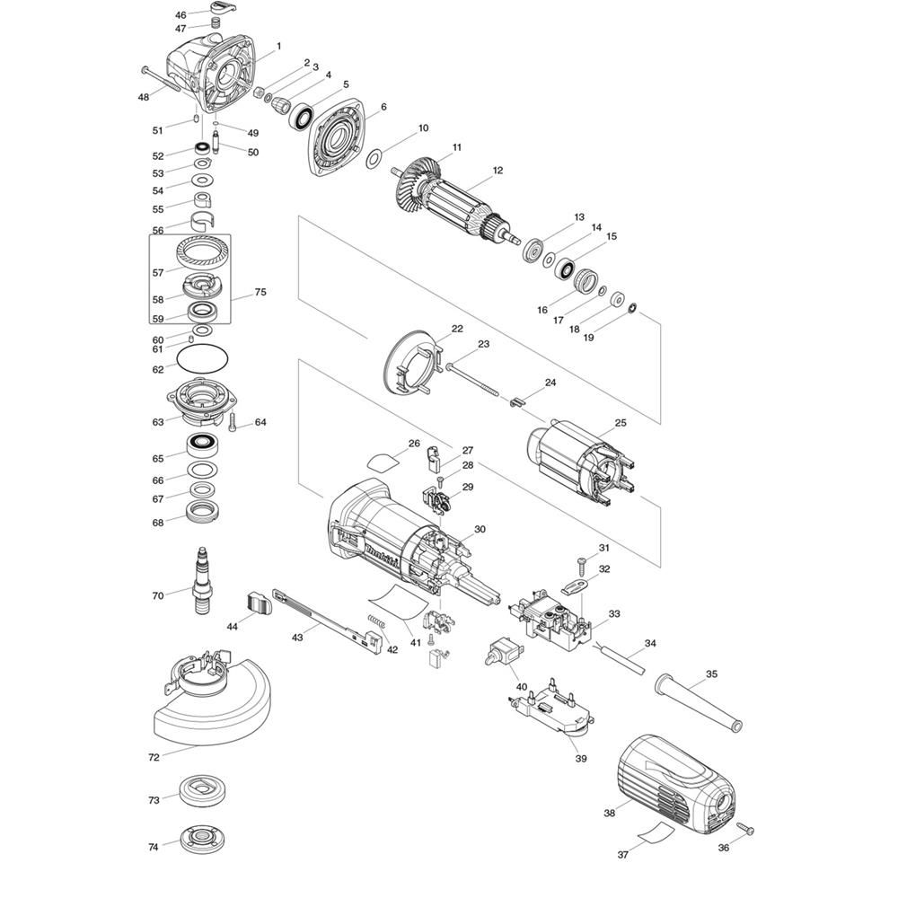
The Complete Assembly for the Makita GA5040C Angle Grinder includes essential components to ensure optimal performance and longevity. This assembly is designed to facilitate maintenance and repair, featuring genuine Makita parts that help maintain the grinder's efficiency. Components typically include gears, bearings, switches, and housings, all crucial for smooth operation.
Reviews
Add a review
Write Your Own Review
Ask a Question
Customer Questions

