Description
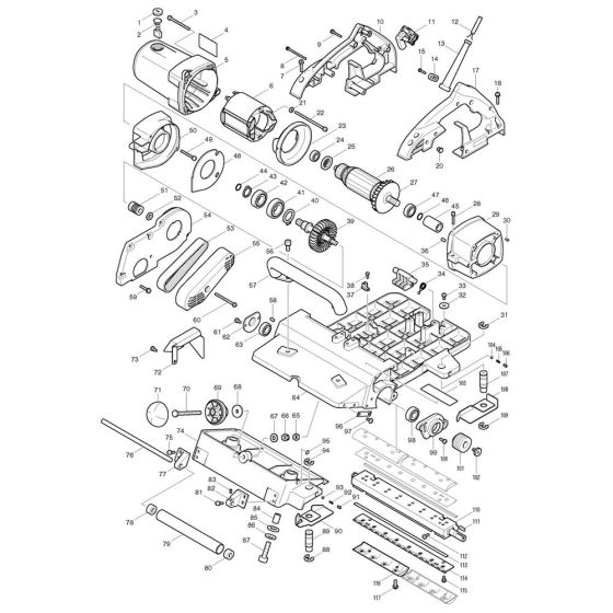
The Complete Assembly for the Makita KP312 Planer includes essential components to ensure optimal performance and longevity. Designed for precision woodworking, this assembly helps maintain the planer's efficiency and accuracy. Key parts such as blades, belts, and bearings are included to support routine maintenance and repair tasks.
Reviews
Add a review
Write Your Own Review
Ask a Question
Customer Questions

