Description
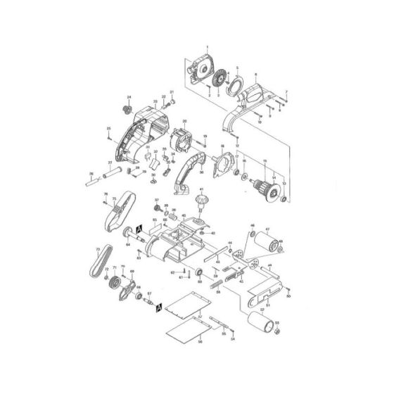
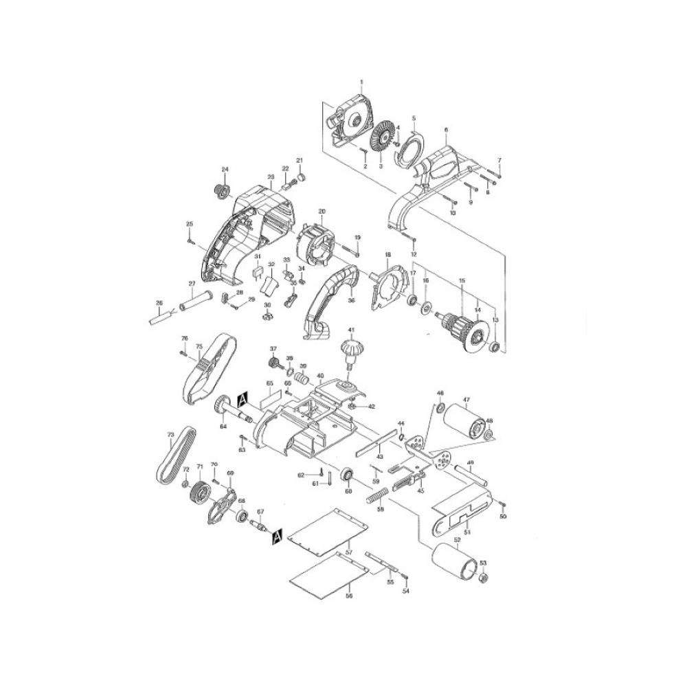
The Complete Assembly for the Makita M9400 Belt Sander includes essential components to ensure optimal performance and longevity. This assembly is designed to facilitate maintenance and repair, featuring genuine Makita parts. Key components may include belts, rollers, tensioners, and dust bags, all crucial for efficient sanding operations.
Reviews
Add a review
Write Your Own Review
Ask a Question
Customer Questions

