Description
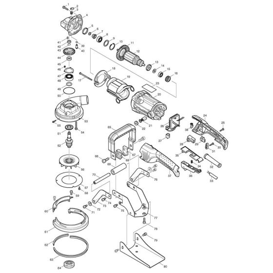
The Complete Assembly for the Makita PC5001C Planer includes essential components to ensure optimal performance and longevity. This assembly is designed to maintain the planer's efficiency and precision. Genuine Makita parts such as blades, belts, and housings are included, providing reliable operation and ease of maintenance.
Reviews
Add a review
Write Your Own Review
Ask a Question
Customer Questions

