Description
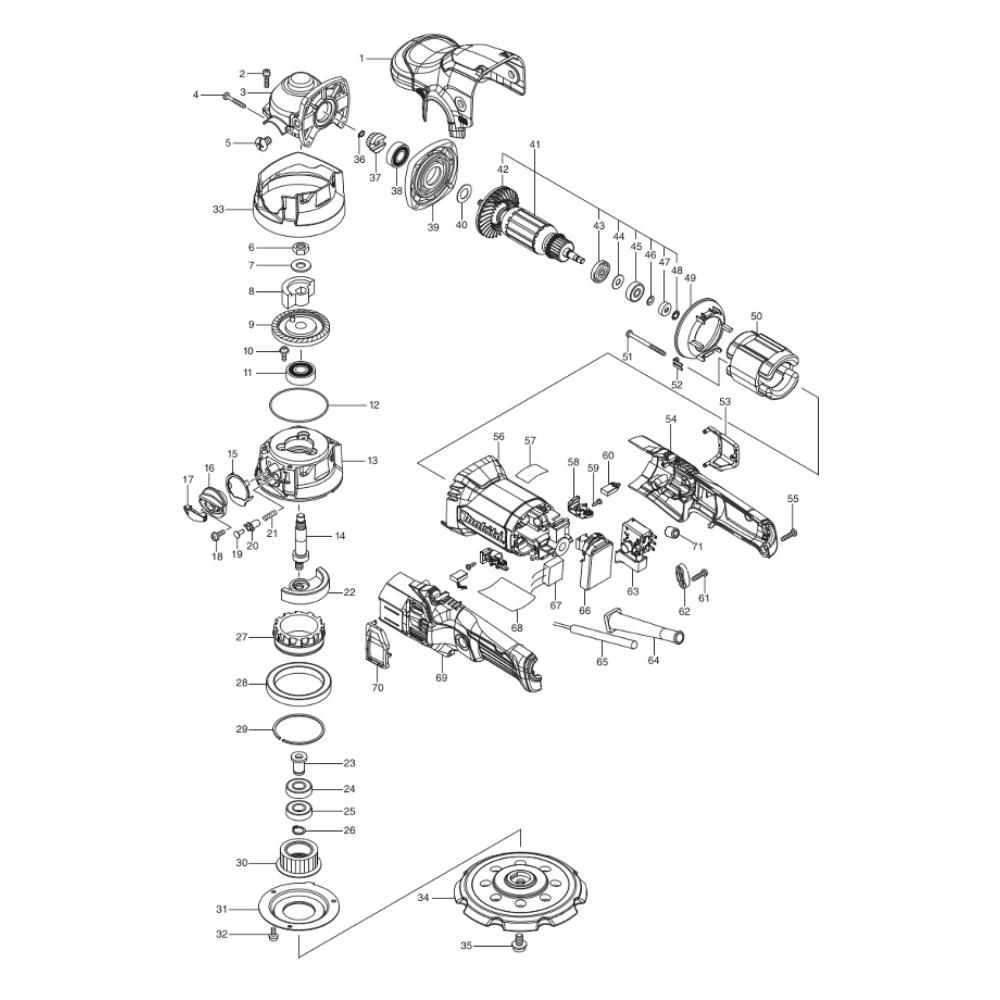
The Complete Assembly for the Makita PO6000C Polisher includes essential components to ensure optimal performance and longevity. Designed for maintenance and repair, this assembly helps maintain the polisher's efficiency and reliability. Typical components may include brushes, gears, and seals, all genuine Makita parts.
Reviews
Add a review
Write Your Own Review
Ask a Question
Customer Questions

