Description
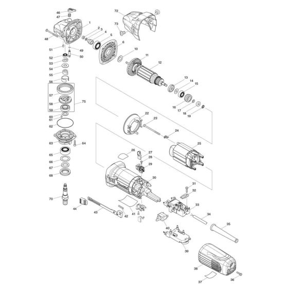
The Complete Assembly for the Makita SA5040C Polisher includes all necessary components to ensure optimal performance and longevity. This assembly is designed to facilitate maintenance and repair, featuring genuine Makita parts such as gears, bearings, and switches. Ideal for maintaining the efficiency and reliability of your polisher.
Reviews
Add a review
Write Your Own Review
Ask a Question
Customer Questions

