Description
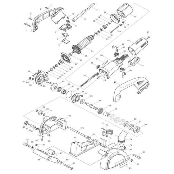
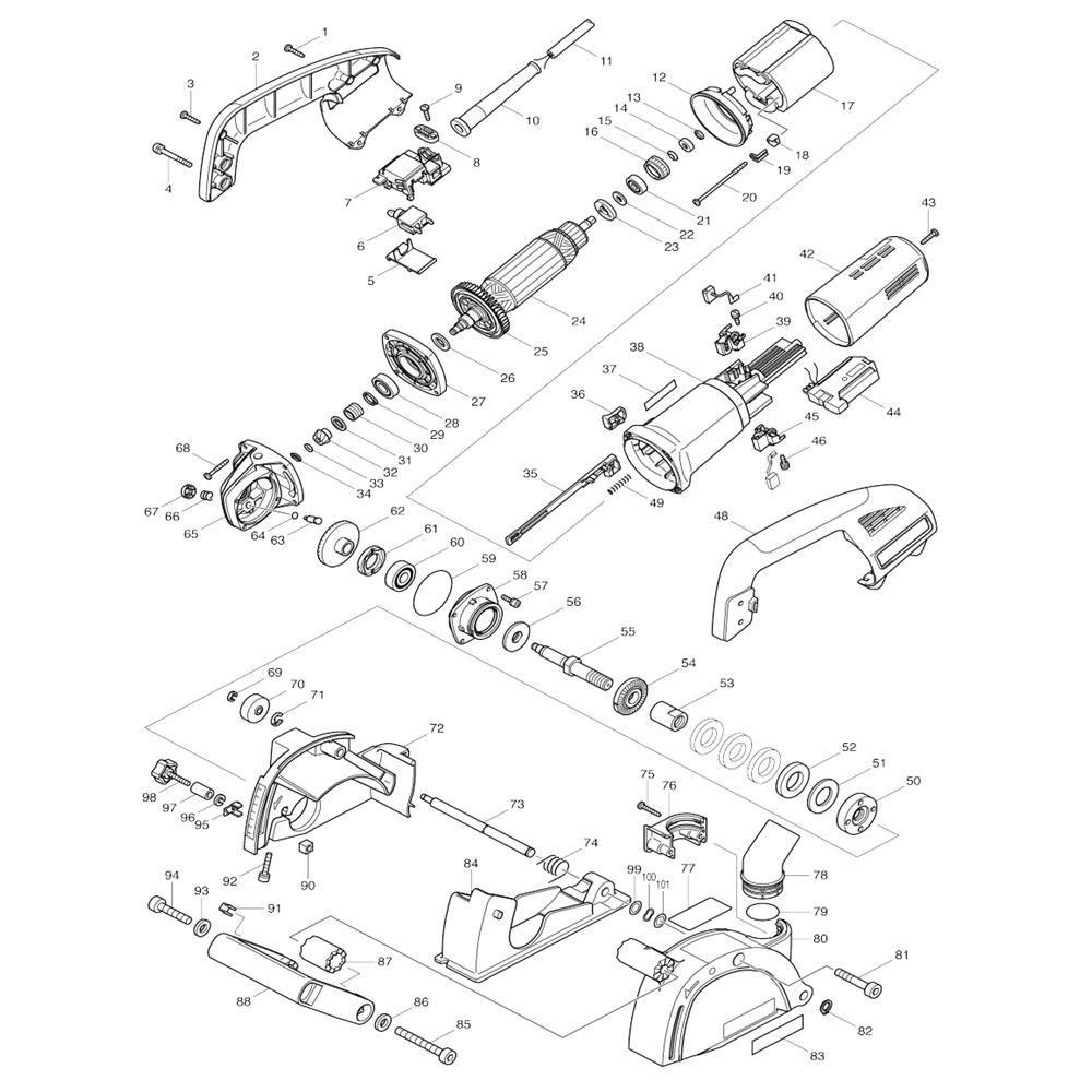
The Complete Assembly for the Makita SG1250 Wall Chaser includes essential components to ensure optimal performance and longevity. Designed for precise cutting in masonry and concrete, this assembly helps maintain the machine's efficiency. Components such as blades, guards, and drive belts are included, offering reliable operation for professional use.
Reviews
Add a review
Write Your Own Review
Ask a Question
Customer Questions

