Description
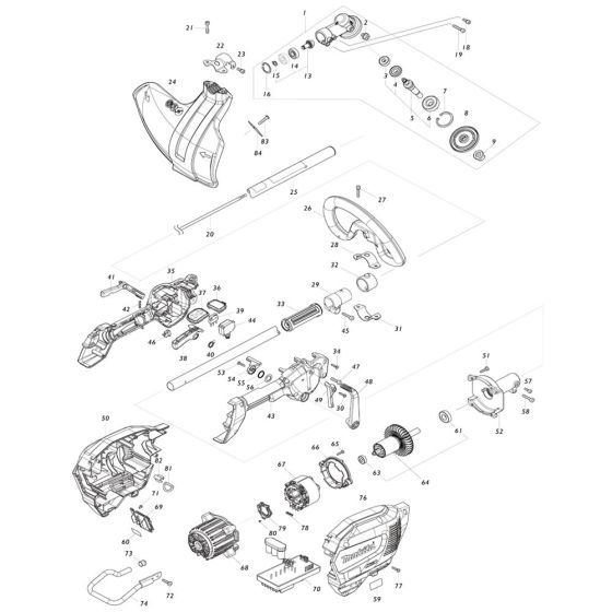
The Complete Assembly for the Makita UR014G Cordless Trimmer includes essential components to ensure optimal performance and longevity. Designed for efficient trimming, this assembly helps maintain the trimmer's functionality by providing genuine Makita parts. Components such as blades, guards, and handles are included, offering reliable operation for garden maintenance tasks.
Reviews
Add a review
Write Your Own Review
Ask a Question
Customer Questions

