Description
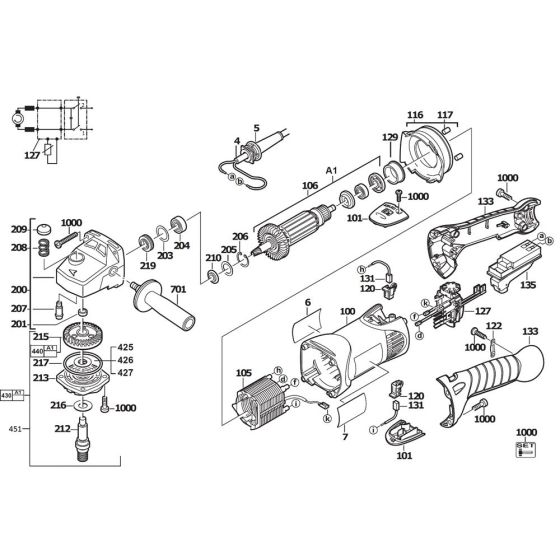
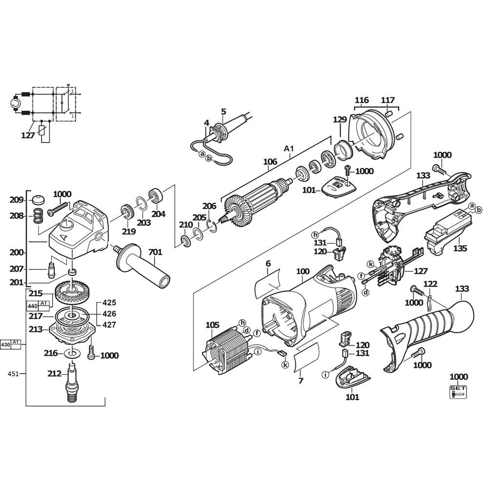
The Complete Assembly for the Milwaukee AP12E Polisher includes essential components to ensure optimal performance and longevity. Designed for maintenance and repair, this assembly helps maintain the polisher's efficiency and reliability. Typical components include brushes, switches, gears, and housing parts, all contributing to the smooth operation of the machine.
Reviews
Add a review
Write Your Own Review
Ask a Question
Customer Questions

