Description
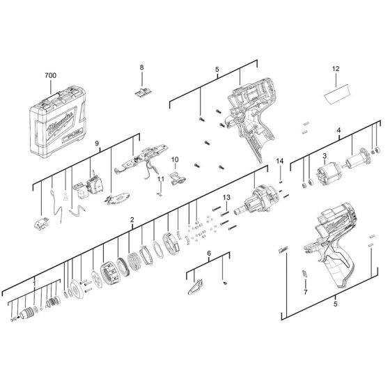
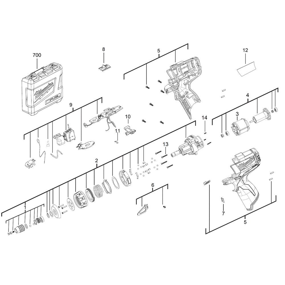
The Complete Assembly for the Milwaukee M12CD Cordless Screwdriver includes all necessary components to ensure optimal performance and longevity. This assembly is designed to maintain the screwdriver's efficiency and reliability, featuring genuine Milwaukee parts. Typical components include gears, switches, and housing elements, all crafted to fit seamlessly with the M12CD model.
Reviews
Add a review
Write Your Own Review
Ask a Question
Customer Questions

