Description
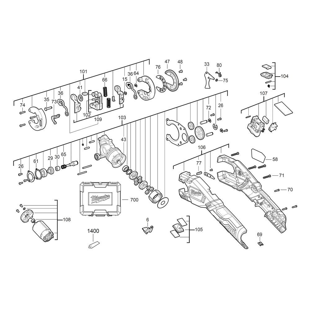
The Complete Assembly for the Milwaukee M12PCSS Pipe Cutter includes essential components to ensure efficient cutting performance. Designed for durability and precision, this assembly helps maintain the tool's functionality and longevity. Key parts such as blades, clamps, and springs are included to support various cutting tasks.
Reviews
Add a review
Write Your Own Review
Ask a Question
Customer Questions

