Description
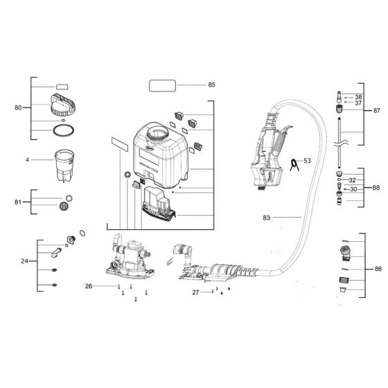
The Complete Assembly for the Milwaukee M18 BPFP-CST Sprayer includes essential components to ensure optimal performance and longevity. This assembly is designed to facilitate efficient spraying tasks, providing reliable operation and ease of maintenance. Genuine Milwaukee parts ensure compatibility and durability, supporting various spraying applications.
Reviews
Add a review
Write Your Own Review
Ask a Question
Customer Questions

