Description
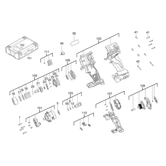
The Complete Assembly for the Milwaukee M18FIW2F12 Cordless Impact Wrench includes essential components to ensure optimal performance and longevity. This assembly is designed to support maintenance and repair tasks, providing genuine Milwaukee parts for reliable operation. Typical components may include gears, switches, and housings, all tailored to fit the M18FIW2F12 model.
Reviews
Add a review
Write Your Own Review
Ask a Question
Customer Questions

