Description
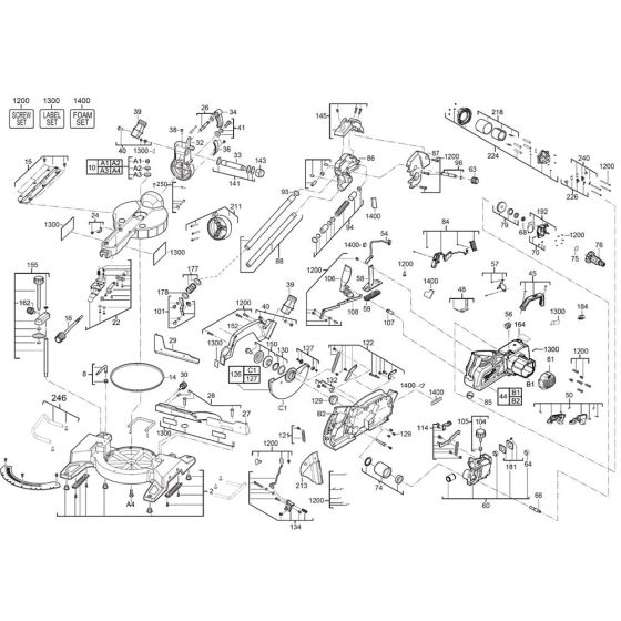
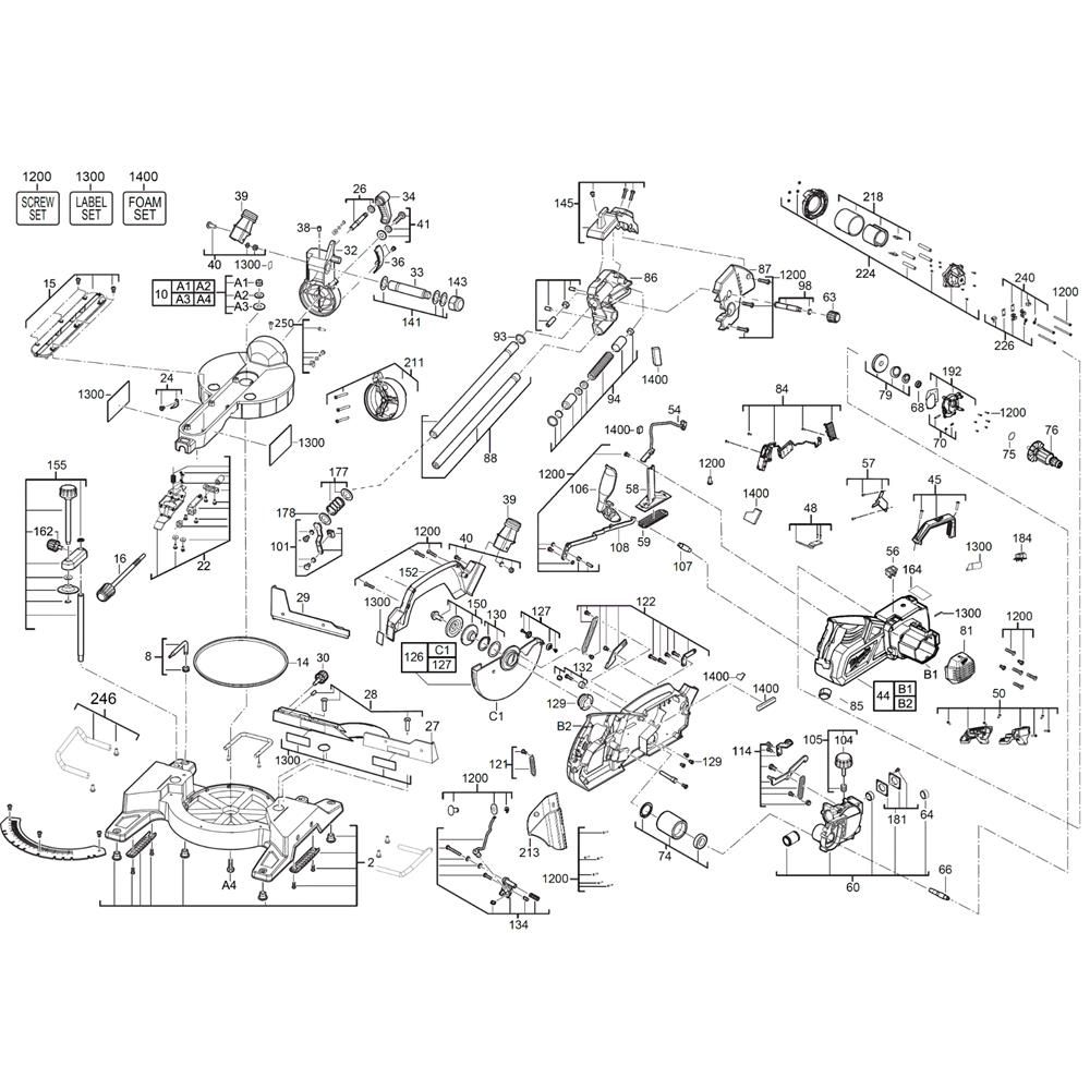
The Complete Assembly for the Milwaukee M18SMS216 Cordless Mitre Saw includes essential components to ensure optimal performance and longevity. Designed for precision cutting tasks, this assembly helps maintain the saw's efficiency and accuracy. Key parts include the blade guard, dust bag, and bevel adjustment mechanism, all contributing to a smooth and reliable operation.
Reviews
Add a review
Write Your Own Review
Ask a Question
Customer Questions

