Description
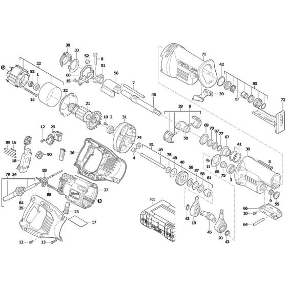
The Complete Assembly for the Milwaukee SSPE1500X Reciprocating Saw includes essential components to ensure optimal performance and longevity. This assembly is designed to maintain the saw's efficiency and reliability, featuring genuine Milwaukee parts. Components such as blades, motors, and housings are available, providing comprehensive solutions for maintenance and repair needs.
Reviews
Add a review
Write Your Own Review
Ask a Question
Customer Questions

