Description
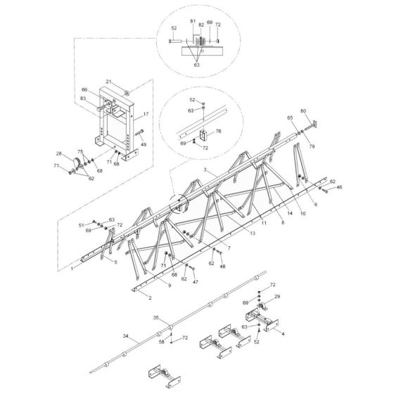
The Complete Assembly for the Wacker HE100 Truss Screed includes essential components for optimal performance. Designed to ensure efficient concrete levelling, this assembly features genuine Wacker Neuson parts. Typical components may include drive units, screed sections, and connecting elements, all contributing to a smooth and even finish.
Reviews
Add a review
Write Your Own Review
Ask a Question
Customer Questions

