Description
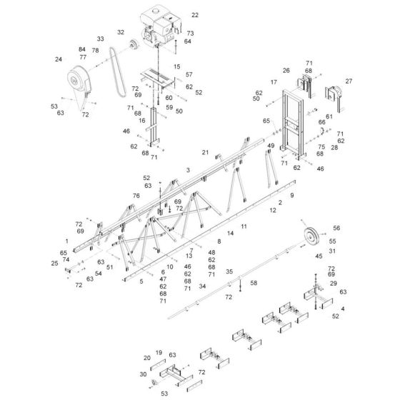
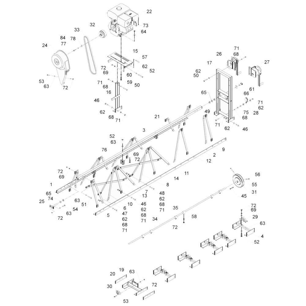
The Complete Assembly for the Wacker HPG100 Truss Screed includes genuine Wacker Neuson parts essential for optimal performance. This assembly is designed to ensure efficient concrete levelling and finishing. Key components may include drive units, screed blades, and connecting elements, all contributing to a reliable and durable screed system.
Reviews
Add a review
Write Your Own Review
Ask a Question
Customer Questions

