Description
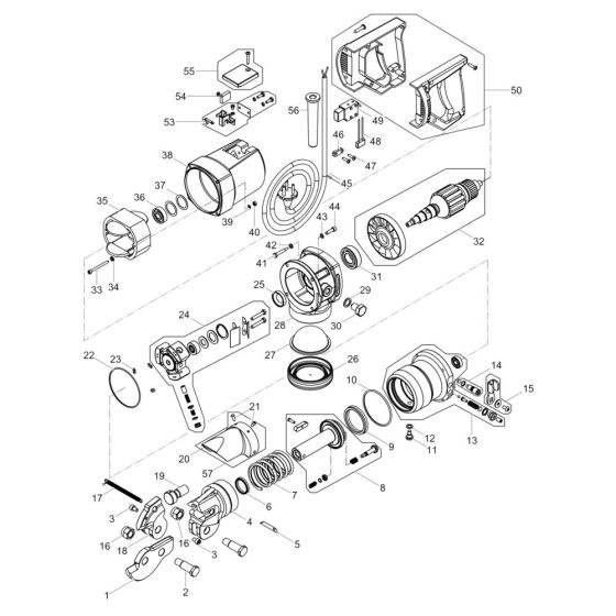
The Complete Assembly for the Wacker RCP-12/115 Rebar Cutter includes essential components to ensure optimal performance and longevity. This assembly is designed to facilitate efficient cutting of rebar, with parts such as blades, gears, and springs. Genuine Wacker Neuson parts ensure compatibility and reliability, supporting both routine maintenance and repairs.
Reviews
Add a review
Write Your Own Review
Ask a Question
Customer Questions

