Description
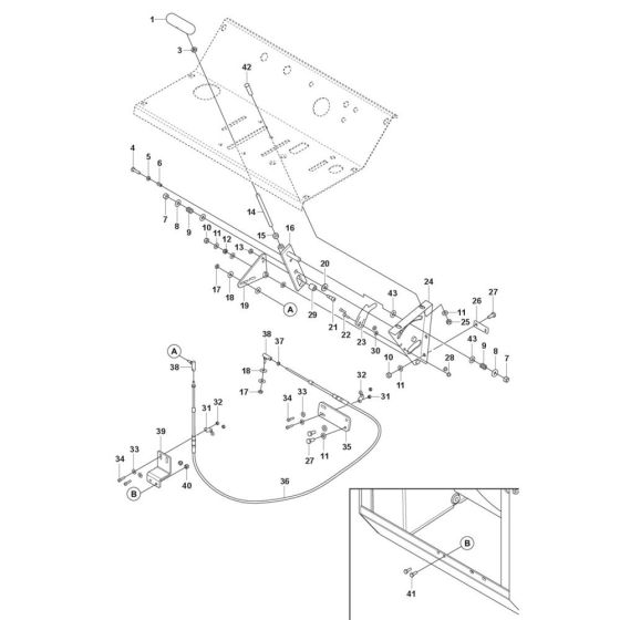
Control components for the Husqvarna FS4600 G II Floor Saw are essential for precise operation and maintenance. These genuine parts ensure optimal performance and longevity of your floor saw. Components include levers, switches, and dials, all designed to withstand rigorous use. Ideal for maintaining control and accuracy during cutting tasks.
Reviews
Add a review
Write Your Own Review
Ask a Question
Customer Questions

