Description
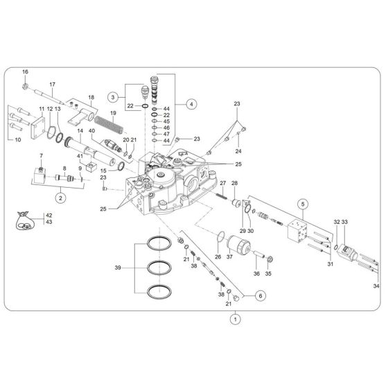
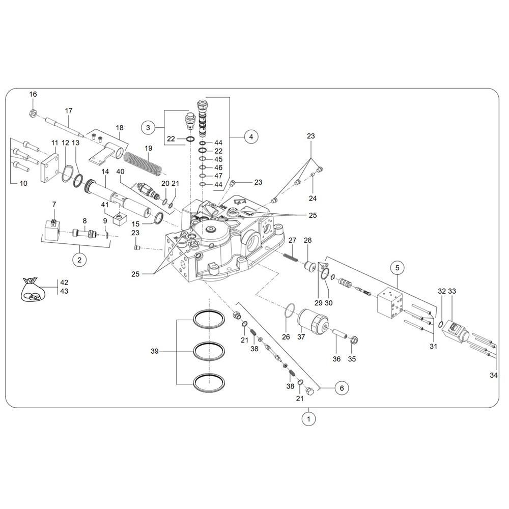
The Control Cover Assembly for the Wacker TH740 Telehandler is designed to protect and house the control mechanisms, ensuring optimal operation and safety. This assembly includes components such as levers, panels, and seals, which are crucial for maintaining the telehandler's functionality. Genuine Wacker Neuson parts ensure compatibility and reliability.
Reviews
Add a review
Write Your Own Review
Ask a Question
Customer Questions

